专业调节阀_专业球阀_专业蝶阀_武汉汉德阀门股份有限公司

 找回密码
 立即注册
查看: 10134|回复: 0
打印 上一主题 下一主题

延迟焦化用高温防结焦耐磨球阀

[复制链接]

6

主题

0

好友

20

积分

新手上路

Rank: 1

跳转到指定楼层
楼主
发表于 2017-7-28 16:33:56 |只看该作者 |倒序浏览
为了追求更好的经济效益,我国大型炼化装置炼制原油的含硫、含酸比例在不断上升。炼化装置具有高温、介质含有大量硬固体颗粒等复杂工况条件,传统阀门无法适用。金属硬密封耐磨球阀很好的解决了这一问题。我国大型炼油项目延迟焦化装置中使用的高温防结焦金属硬密封耐磨球阀,主要采用进口的VELAN球阀。近年来部分进口金属硬密封耐磨球阀已被国产阀门所取代。目前我国生产制造的金属硬密封耐磨球阀的最大公称尺寸已达到DN800(NPS32),最高公称压力已达到PN420(Class2500),最高设计温度达到600℃。
1 高温防结焦耐磨球阀
焦化是使重质油品加热裂解,聚合变成轻质油、中间馏分油和焦炭的加工过程。延迟焦化是一种石油二次加工技术,是以渣油(一般为减压渣油)为原料、在高温(500~550℃)下进行深度热裂反应的一种加热过程。减压渣油在管式炉中加热,采用高流速及高热强度,使其在加热炉中短时间内达到焦化反应所需的温度,然后迅速进入焦炭塔,使焦化反应不在加热炉而是延迟到焦炭塔中进行,故称之为延迟焦化。延迟焦化装置运行的主要矛盾为:使用的原料为重质油,重质油在高温下容易结焦,但希望它在焦炭塔中结焦,而不希望它在加热炉、焦炭塔馏出线和分馏塔底等处结焦。所以除了工艺采取诸如:在焦炭塔出口管线上打急冷油,在原料油进加热炉辐射管之前注入蒸汽或软化水等措施外,还应该防止管线上阀门的结焦。高温防结焦耐磨球阀有效地解决了延迟焦化装置中阀门使用过程要解决的三个突出问题:耐受500℃的高温;防止高温下的油气结焦;消除焦粉对密封面的冲刷。
1.1 高温防结焦耐磨球阀在延迟焦化装置中的典型应用
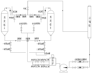
延迟焦化典型的工艺流程有一炉两塔、两炉四塔等。焦炭塔是轮换使用的,即当一个塔内焦炭聚结到一定高度时,即进行切换,通过四通阀将进料切换进另一个塔。下面以一炉两塔流程为例,介绍焦化高温防结焦耐磨球阀在焦化装置中的典型应用。图1中加热炉出口阀和一道甩油阀通常采用高温防结焦耐磨球阀。图2为已运至现场的高温防结焦球阀的实物图。图3为高温防结焦耐磨球阀在现场的应用。
(1)延迟焦化装置中高温防结焦耐磨球阀的工况条件
焦化装置中高温防结焦耐磨球阀的使用介质一般为含有焦粉的油品、减压渣油和蒸汽,工作温度在500℃左右,工作压力为0.5MPa左右。在此工况条件下,阀门长期处于易结焦和高温的工况条件下,就必须具备耐腐蚀、耐磨、耐冲刷、防结焦及快速切断等功能。
(2)延迟焦化装置中高温防结焦耐磨球阀所用的阀门材料
经过焦化加热炉后,介质中的环烷酸大部分会发生分解。因此,焦炭塔顶大油气线以及焦化炉出口至焦炭塔管线的腐蚀机理主要为高温硫腐蚀。所以在此高温重油部位的管道材质推荐选用12Cr5Mo。阀体的材质不应低于球阀所在系统管道的材质,这就使得高温防结焦耐磨球阀的阀体一般选为ASTMA217C12(铬钼钢),球体一般选为ASTMA487Gr.CA6NM(铬镍钼钢)或其相似甚至性能更高的其他材质。
图中:加热炉出口阀的工作温度在500℃,工作压力为0.5MPa,持续工作时间8400h;一道甩油阀的工作温度在500℃/450℃,工作压力为0.6MPa/0.3MPa,若一个生产周期24h的话,一道甩油阀工作18h。
图1 高温防结焦耐磨球阀在延迟焦化中的典型应用
已运至现场的高温防结焦球阀的实物图
防结焦球阀在现场的安装图
1.2 延迟焦化装置高温防结焦耐磨球阀的介质工况特性及对阀门的要求
(1)介质中含有焦粉,容易在阀座、球体、阀轴等部位结焦、沾结,容易导致阀门卡死或密封失效。因此要求阀门对阀座、阀门中腔、阀门填料等部位进行有效防护,阻止结焦介质在阀门工作过程中进入阀内。
(2)阀座采用刮刀结构设计。刮刀式阀座具有自清洁功能,在阀门开关过程中,阀座对球面有刮刷动作,能有效减少球面污物进入密封副,保证密封可靠。
(3)阀门用于高温工况,最高工作温度为500℃,由于阀门零部件的热胀冷缩,容易导致阀门在高温下的卡死而无法实现启闭动作。阀门结构、尺寸设计和选材时要确保高温工况正常工作,不发生卡死。
(4)阀门可靠性要求高,阀门的动作失效将导致整个系统的停车。
(5)阀座的密封等级要求为ANSIFCI70-2VI级。
1.3 高温防结焦耐磨球阀的设计结构和制造特点
高温防结焦耐磨球阀是在浮动球阀的基础上予以结构设计的改进,以适应高温、耐腐蚀、耐冲刷和易结焦的工况要求,提高阀门使用寿命。
高温防结焦耐磨球阀在设计阶段应采用计算机仿真技术,进行有限元分析和阀门在500℃时的温度场分析,参照分析结果和实际经验调整阀门结构和内件设计尺寸。
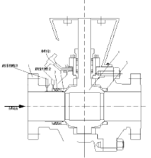
高温防结焦球阀的结构示意图和三维剖面图如图2和图3所示,其结构特点归纳如下:
1-阀体;2-波纹管;3-阀前阀座;4-球体与阀杆;5-阀后阀座
图2 高温防结焦耐磨球阀
图3 高温防结焦耐磨球阀的三维剖面图
(1)全通径结构。球体通道直径与管路直径相同,流阻小,流通能力大,排渣方便。
(2)浮动球阀,阀后单向密封结构。进口端为高压端,阀门在关闭状态时,在介质压力的作用下,球体产生一定的位移,紧压在出口端的阀座密封面上,从而保证出口端的密封。
因阀门是单向密封结构,在现场安装时,必须注意安装方向正确。
(3)分体式球阀。防结焦球阀进口端的阀座为波纹管阀座,出口端为可在阀体嵌入槽中滑动的金属阀座,阀体和阀座之间设置密封垫。
(4)波纹管的设置。因高温防结焦耐磨球阀在高温工况下运行时,球体、阀座等内件都会因热膨而使尺寸增大,内件沿阀门通道轴向方向上的尺寸膨胀,是导致高温下阀门启闭卡死的主要原因。为防止在高温情况下因球体等内件受热膨胀而卡死,因此在阀前阀座背后设置波纹管,其波纹管详图如图4所示。
1-波纹管;2-阀座
图4 放大的波纹管与阀座的连接
波纹管通常采用Inconel625材料制作,采用电子束焊或氩弧焊与阀座和衬套相焊接。设计时应保证阀座密封中心小于波纹管中径,这样能使密封可靠。波纹管的弹性加载结构,能在正常关闭情况下确保球体密封面和阀座密封面间的紧密接触,在高温下能有效补偿内件受热膨胀,避免因高温而导致的卡阻。
图5 刮刀结构设计
(5)应用超音速喷涂密封面。针对焦粉冲刷工况,球体和阀座密封面采用超音速喷涂技术,通过喷涂不同的材料提高密封面硬度,以提高耐冲刷和耐磨损的使用寿命。
超音速喷涂技术提供了先进的喷涂工艺,而决定涂层硬度的关键是合理选择涂层金属材料。良好的涂层材料能使球体和密封面形成超硬密封,可以在很大程度上解决高温下密封面耐磨性下降的缺陷。特别是在500℃高温下还可以保持较高的硬度,不会被焦粉等颗粒介质划伤,确保密封面可靠长久使用。
(6)精密加工。在保证密封面硬度的基础上,球体及阀座密封面制造精度、表面粗糙度、球面与阀座密封圈吻合度是保证高温防结焦球阀应用成功的关键。采用专用球面磨床磨削以及专用研磨机配对研磨是很好的工艺方法,能使球体与阀座密封面的几何精度和表面粗糙度达到设计要求,实现高吻合度及可靠密封。
(7)球杆一体化结构。阀门采用球杆一体化结构,保证了球体与阀杆的同心度,球、杆整体刚度、强度大,工作可靠。
(8)阀座刮刀结构设计。刮刀式阀座具有自清洁功能,在阀门开关过程中,阀座对球面有刮刷动作,能有效减少球面污物进入密封副,保证密封可靠。刮刀结构详图如图5所示。
阀座刮刀硬度比球面硬度稍低,当阀座刮刀的刃口刮削球体表面的结焦物时不会损坏球体密封面,阀门每次开启或者关闭过程中能对球体密封面进行刮擦作用,防止固体颗粒进入阀座密封区域,而影响阀座的密封,有效提高阀座密封性能和使用寿命。
特别注意:阀座刮刀刃口一般为90°,加工中不能倒角,否则失去刮刀功能。
(9)蒸汽吹扫结构。由于焦化介质中含有极细的焦粉,容易在阀座、球体、阀轴等部位结焦、沾结,导致阀门卡死或密封失效。采用蒸汽吹扫对阀门的波纹管内外、阀门中腔、填料箱等部位进行吹扫保护,能有效地防止残渣以及汽相焦粉等物料进入阀体空腔中,避免因焦粉累积而产生问题。在阀门处于工作状态下,吹扫蒸汽压力高于管道介质压力,就可以起到保护和屏障作用。
2 高温模拟实验
由于焦化防结焦球阀是处于高温且介质硬度较高、条件极其恶劣的工况,所以容易出现阀门在高温下“抱死”无法启闭,或密封面关不严不耐冲刷等问题。为确保阀门在实际工况条件下满足使用要求,确保产品质量,所以要求对高温防结焦耐磨球阀除了进行常规的壳体实验,阀座密封试验、开关扭矩试验外还应进行高温启闭和高温密封试验。
值得注意的是,对阀门进行室温下的阀座密封试验合格,不能表示阀门处于高温(或低温)工况下使用时仍能达到阀座密封要求。对于防结焦球阀,其在高温下发生密封泄漏时,夹杂焦粉等固体颗粒的气象或液相介质会对阀座、球体表面产生十分剧烈的冲蚀,导致阀门密封失效。
(1)高温启闭动作和高温阀座密封试验
阀门连接试压盲板、试压管路、测量热电偶,采用专用电炉或履带加热器方式对防结焦球阀进行加热。热电偶检测通道内阀座和球体表面温度,当达到500℃时,进行阀门高温启闭试验,同时进行阀座气密封试验。
(2)高温吹扫试验
依次检测波纹管内侧、波纹管外侧、阀体中腔、填料箱吹扫系统是否顺畅,先把要检测的吹扫系统的气源打开,其余吹扫系统的气源不要打开,然后进行阀门的开启动作,观察阀体中腔吹扫系统是否顺畅。
3 结论
由于能同时满足高温、耐磨、耐腐蚀、防结焦和开关方便等要求,金属硬密封防结焦球阀在延迟焦化装置中获得了广泛的应用,促进了球阀技术的快速发展。了解延迟焦化装置运行的工况参数和要求,掌握金属硬密封防结焦球阀结构、制造、检验特点,对生产制造能满足使用要求的防结焦球阀具有重要意义。
目前国内的一些阀门制造企业生产的高温防结焦耐磨球阀已经可以逐步替代进口的同类产品,这将有效降低炼化企业的采购成本,推进我国炼化事业的发展。

回复

使用道具 举报

您需要登录后才可以回帖 登录 | 立即注册

QQ|Archiver|手机版|武汉汉德阀门股份有限公司 ( 鄂ICP备10020949号-2 )

GMT+8, 2026-3-18 14:50 , Processed in 0.249376 second(s), 13 queries , Apc On.

Powered by Discuz! X2.5

© 2001-2012 Comsenz Inc.

回顶部